Unterstützung und Beratung unter: +49 7034 9929 48 Mo-Fr, 09:00 - 17:00 Uhr
Oder über unser Kontaktformular.
- Schnell und unkompliziert
- Fachkompetente Beratung für Ihren professionellen kältetechnischen Bedarf
- Top Preise für Premium-Qualität
- Deutscher Maschinenbauer mit eigener Fertigung und mehr als 30 Jahren Erfahrung in der Branche
LAE Kühlstellenregler AH1-5C14W-BG (incl. 3x Fühler) AH1
Produktinformationen "LAE Kühlstellenregler AH1-5C14W-BG (incl. 3x Fühler) AH1"
Der AH1 5C14W-BG ist eine Elektronik, die speziell für den Einsatz in Kühlfahrzeugen entwickelt wurde. Zusätzlich beinhaltet der AH1 5C14W-BG alle Funktionen eines Tiefkühlstellenreglers.
EIGENSCHAFTEN
· Kühl- und Heizregelung mit Neutralzone
· FLEXICOLD Funktion zur Energieeinsparung oder Umschaltung zweiter Sollwert
· Abtauung über Timer oder Remote Start
· Möglichkeit der Ansteuerung eines zweiten Verdichters oder Verdampfers
· optimierte Verdampferlüftersteuerung
· Licht- und Stand by Ansteuerung über M bzw. EIN / AUS Taste
· Schnellprogrammierung mittels Handprogrammiergerät ZOT-AH1 (nicht im Lieferumfang)
· RS485 Schnittstelle zur Einbindung in Überwachungssysteme
VORTEILE
· besonders geeignet, wo durch äussere Einfl üsse ein Gegenheizen erforderlich ist!
ANWENDUNGSBEREICHE
· kleine Kühlzellen
· Kühlschränke
· Kühltische
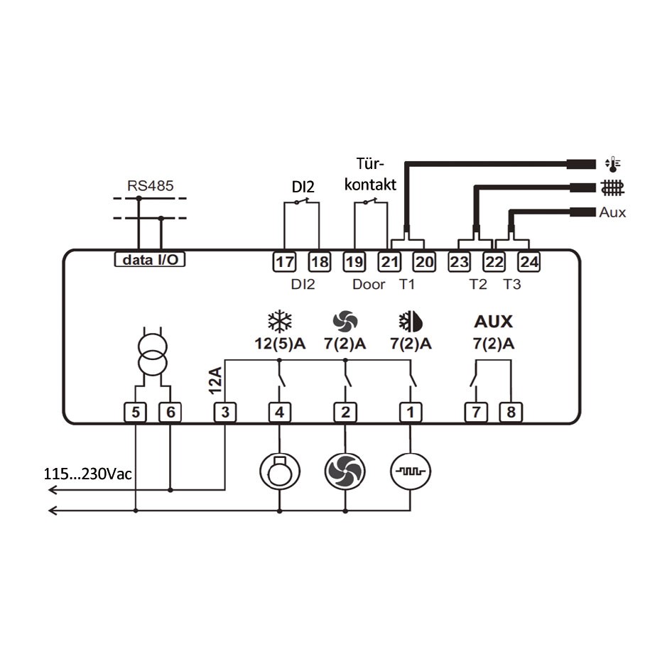
TECHNISCHE DATEN
| Fühlertyp | NTC10k | 
| Fühler Lieferumfang | 3 x NTC10k | 
| Messbereich Fühler | -40°C ... +105°C | 
| Regelbereich Regler | -50°C ... +120°C | 
| Auflösung | 0,1° | 
| Eingang | Türkontakt + DI2 (parametrierbar) | 
| Klemmen | Steckklemmen | 
| Relais 1 / Schließer | 12 (5)A Verdichter | 
| Relais 2 / Schließer | 7 (2)A Verdampferlüfter | 
| Relais 3 / Schließer | 7 (2)A Abtauung | 
| Relais 4 / Wechsler | 7 (2)A AUX | 
| Schnittstelle | RS485 | 
| Spannungsversorgung | 115 ...230 Vac | 
| Abmessungen | 77x35x77mm | 
| Einbaumaß | 71x29mm | 
| Frontschutzart | IP55 | 
| Zertifizierung | CE | 
| Anzahl Fühlereingänge: | 3 | 
|---|---|
| Anzahl digitale Eingänge: | 2 | 
| Fühler_Eingänge: | 3 | 
| Kaeltemittel: | R404A, R507 | 
| Kompressor-Leistungsaufnahme: | < 250 W | 
| Kompressor-Stromaufnahme: | 1 - 2 A | 
| Leistung: | 250 - 500 W | 
| Regler Typ: | Kühlstellenregler | 
| Relais: | 4 | 
| Versorgungsspannung: | 115 - 230V AC | 
| möglicher Fühlertyp: | NTC 10K | 
0 von 0 Bewertungen
Durchschnittliche Bewertung von 0 von 5 Sternen
Anmelden
 
                                                                         
											
																																													
										 
                                                                                                                                                                                                                            