Unterstützung und Beratung unter: +49 7034 9929 48 Mo-Fr, 09:00 - 17:00 Uhr
Oder über unser Kontaktformular.
- Schnell und unkompliziert
- Fachkompetente Beratung für Ihren professionellen kältetechnischen Bedarf
- Top Preise für Premium-Qualität
- Deutscher Maschinenbauer mit eigener Fertigung und mehr als 30 Jahren Erfahrung in der Branche
LAE AH1-5B14L-AG Kühlstellenregler mit Gegenheizfunktion (incl. 2xFühler) AH1 5B14L AG
143,00 €
Sofort verfügbar, Lieferzeit: 1-4 Werktage
Produktinformationen "LAE AH1-5B14L-AG Kühlstellenregler mit Gegenheizfunktion (incl. 2xFühler) AH1 5B14L AG"
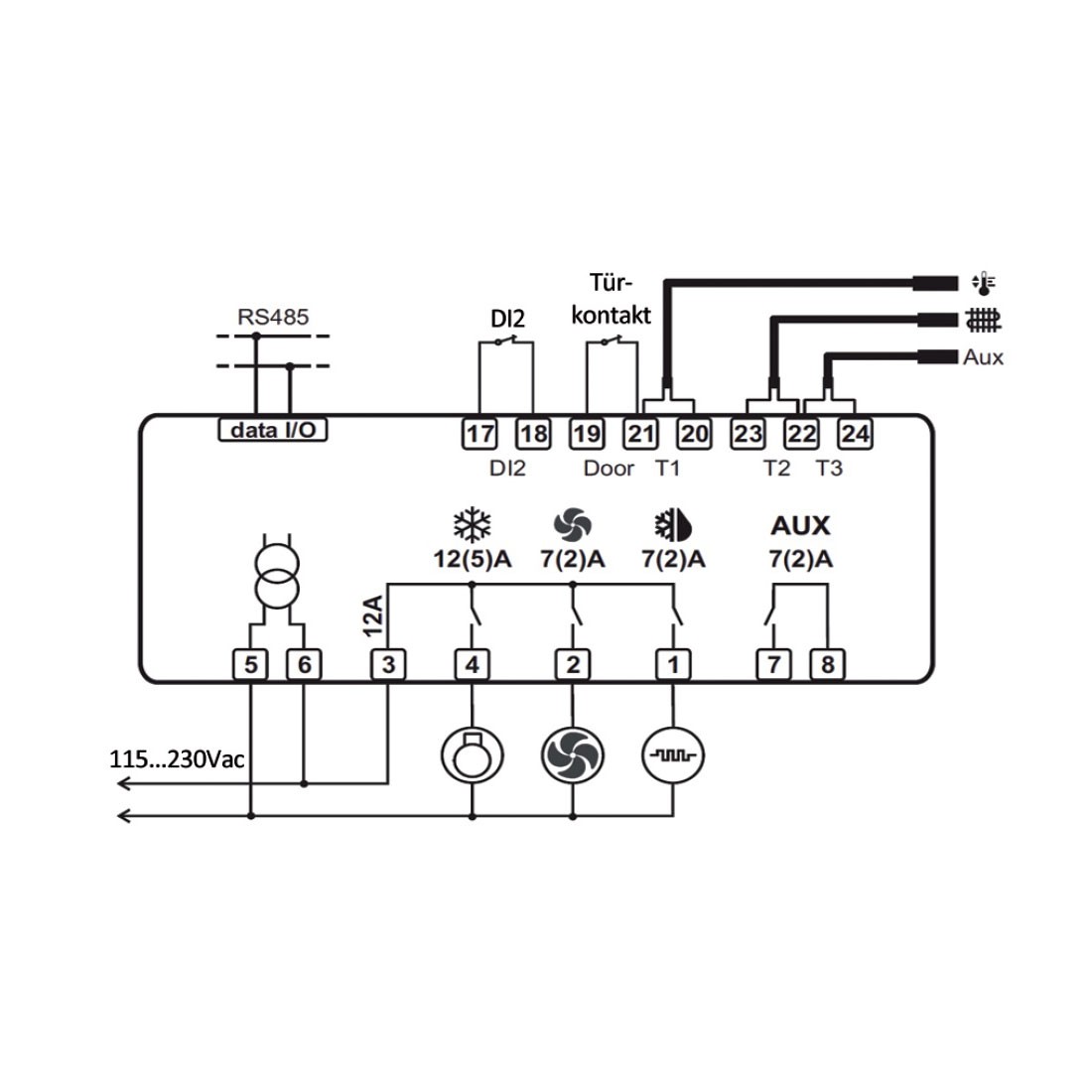
Der AH1-5B14L-AG ist eine Elektronik, die speziell für den Einsatz in Kühlfahrzeugen entwickelt wurde. Durch seine variable Spannungsversorgung von 7 ... 30Vdc ist der AH1-5B14L-AG ohne weitere Spannungswandler direkt integrierbar. Zusätzlich beinhaltet der AH1-5B14L-AG alle Funktionen eines Tiefkühlstellenreglers.
EIGENSCHAFTEN:
· Kühl- und Heizregelung mit Neutralzone
· FLEXICOLD Funktion zur Energieeinsparung oder Umschaltung zweiter Sollwert
· Abtauung über Timer oder Remote Start
· Möglichkeit der Ansteuerung eines zweiten Verdichters oder Verdampfers
· optimierte Verdampferlüftersteuerung
· Licht- und Stand by Ansteuerung über M bzw. EIN / AUS Taste
· Schnellprogrammierung mittels Handprogrammiergerät ZOT-AH1
· RS485 Schnittstelle zur Einbindung in Überwachungssysteme
VORTEILE:
· Ideal für Kühlfahrzeuge, da Spannungsversorgung 7 ... 30Vdc
· besonders geeignet, wo durch äussere Einflüsse ein Gegenheizen erforderlich ist!
ANWENDUNGSBEREICHE:
· kleine Kühlzellen
· Kühlschränke
· Kühltische
- mobile Kälte
TECHNISCHE DATEN
| Fühlertyp | NTC10k |
| Fühler Lieferumfang | 2 x NTC10k |
| Messbereich Fühler | -40°C ... +105°C |
| Regelbereich Regler | -50°C ... +120°C |
| Auflösung | 0,1° |
| Eingang | Türkontakt + DI2 (parametrierbar) |
| Klemmen | Steckklemmen |
| Relais 1 / Schließer | 10A Verdichter |
| Relais 2 / Schließer | 1A Verdampferlüfter |
| Relais 3 / Schließer | 1A Abtauung |
| Relais 4 / Schließer | 1A AUX |
| Schnittstelle | TTL |
| Spannungsversorgung | 7 ... 30Vdc |
| Abmessungen | 77x35x77mm |
| Einbaumaß | 71x29mm |
| Frontschutzart | IP55 |
| Zertifizierung | CE |
| Anzahl Fühlereingänge: | 2 |
|---|---|
| Anzahl digitale Eingänge: | 2 |
| Fühler_Eingänge: | 2 |
| Regler Typ: | Kühlstellenregler |
| Relais: | 4 |
| Versorgungsspannung: | 7 - 30V DC |
| möglicher Fühlertyp: | NTC 10K |
0 von 0 Bewertungen
Durchschnittliche Bewertung von 0 von 5 Sternen
Anmelden